·Ultra-low energy consumption: The energy consumption is only 30%-50% of traditional equipment.
·Low temperature evaporation: The working temperature can be as low as 30℃ to protect the thermally sensitive components.
·Environmental and clean: No boiler exhaust emissions, meets green production requirements.
·Intelligent control: fully automatic and precise adjustment.
·Compact design: modular design, small footprint.
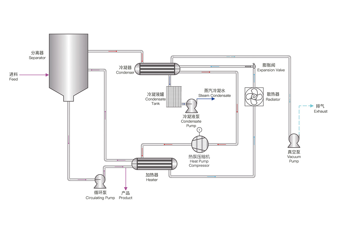
It consists of an evaporator, heat pump compressor, condenser and intelligent control system, and uses high-efficiency heat exchanger and heat pump unit to realize thermal energy circulation.
Material evaporates under low-temperature conditions to generate secondary vapor. A thermal pump compressor upgrades the low-temperature vapor into high-grade heat for reuse in the evaporator, creating a closed thermal cycle. Only minimal electrical energy is required to drive the compressor, enabling high-efficiency evaporation with condensate recovery and concentrated product discharge.


